Montaż zaworu trójdrożnego to kluczowy element w systemach grzewczych, który zapewnia efektywną kontrolę przepływu czynnika grzewczego. Aby instalacja przebiegła pomyślnie, należy przestrzegać kilku ważnych kroków, które pozwolą uniknąć typowych błędów. W artykule omówimy szczegółowo, jak prawidłowo zamontować zawór trójdrożny, jakie narzędzia będą potrzebne oraz jak zrozumieć schemat instalacji.
Odpowiednie przygotowanie i zrozumienie procesu montażu są kluczowe dla prawidłowego działania systemu grzewczego. W dalszej części przedstawimy również najczęstsze problemy, które mogą wystąpić podczas instalacji, oraz sposoby ich uniknięcia. Dzięki tym informacjom każdy, kto planuje montaż zaworu trójdrożnego, będzie mógł to zrobić z większą pewnością i skutecznością.
Kluczowe wnioski:
- Przed montażem należy wyłączyć system grzewczy i spuścić wodę z instalacji.
- Zawór trójdrożny powinien być zamontowany za pompą obiegową, aby zapewnić stabilny przepływ.
- Wybór właściwej pozycji montażu (poziomej lub pionowej) ma znaczenie dla późniejszej konserwacji.
- Ważne jest, aby sprawdzić kierunek przepływu czynnika grzewczego przed podłączeniem.
- Podczas montażu należy używać odpowiednich narzędzi, takich jak klucze nastawne czy taśma teflonowa.
- Po zakończeniu montażu należy przeprowadzić próbę ciśnieniową, aby upewnić się, że wszystkie połączenia są szczelne.
Jak prawidłowo zamontować zawór trójdrożny i uniknąć błędów
Montując zawór trójdrożny, należy przestrzegać kilku kluczowych kroków, aby zapewnić jego prawidłowe działanie. Przed rozpoczęciem montażu, wyłącz system grzewczy i spuść wodę z instalacji. To istotny krok, który chroni zarówno instalację, jak i osoby wykonujące prace. Następnie, dokładnie oczyść miejsce montażu, usuwając wszelkie pozostałości starego uszczelnienia, co zapobiegnie przyszłym wyciekom.
Wybór odpowiedniego miejsca do instalacji jest kluczowy. Zawór powinien być zamontowany za pompą obiegową w systemach CO, co zapewnia stabilny przepływ czynnika grzewczego. Odległość między pompą a zaworem powinna wynosić co najmniej 10 cm. Po zamontowaniu zaworu, sprawdź kierunek przepływu czynnika grzewczego, aby upewnić się, że jest zgodny z oznaczeniami na korpusie zaworu. Pamiętaj, że prawidłowy montaż zaworu jest kluczowy dla efektywności całego systemu grzewczego.
Krok po kroku: instalacja zaworu trójdrożnego w systemie
Pierwszym krokiem w instalacji zaworu trójdrożnego jest wyłączenie systemu grzewczego oraz spuszczenie wody z instalacji. Upewnij się, że wszystkie zawory są zamknięte, aby uniknąć nieprzyjemnych niespodzianek. Następnie przygotuj miejsce montażu, usuwając wszelkie zanieczyszczenia oraz resztki starego uszczelnienia. To zapewni lepsze przyleganie nowego uszczelnienia i zmniejszy ryzyko wycieków.
W kolejnym kroku, zainstaluj zawór w odpowiedniej pozycji. Można go montować zarówno w pozycji poziomej, jak i pionowej, jednak pozycja pozioma ułatwia dostęp do elementów regulacyjnych. Przed podłączeniem zaworu do instalacji, upewnij się, że kierunek przepływu czynnika grzewczego jest zgodny z oznaczeniami na korpusie zaworu. To kluczowy krok, który zapewnia prawidłowe funkcjonowanie systemu.
Po podłączeniu zaworu, sprawdź szczelność wszystkich połączeń. Dobrze jest przeprowadzić test ciśnieniowy, aby upewnić się, że nie ma wycieków. Po zakończeniu montażu, napełnij instalację wodą i dokładnie odpowietrz system. Dzięki tym krokom, zminimalizujesz ryzyko problemów w przyszłości i zapewnisz efektywność całego systemu grzewczego.
Najważniejsze narzędzia do montażu zaworu trójdrożnego
Do prawidłowego montażu zaworu trójdrożnego niezbędne są odpowiednie narzędzia, które zapewnią precyzję i bezpieczeństwo pracy. Kluczowym narzędziem jest klucz nastawny, który umożliwia regulację siły dokręcania, co jest istotne, aby uniknąć uszkodzenia gwintów. Innym ważnym narzędziem jest klucz płaski, który pozwala na łatwe dokręcanie śrub w trudno dostępnych miejscach. Warto również zaopatrzyć się w taśmę teflonową, która służy do uszczelniania połączeń gwintowych, co zapobiega wyciekom.
Nie można zapomnieć o pakułach konopnych lub paście uszczelniającej, które są używane do uszczelniania połączeń, zapewniając ich szczelność. Poziomnica jest również niezbędna, aby upewnić się, że zawór jest zamontowany w odpowiedniej pozycji, co jest kluczowe dla jego prawidłowego działania. Ostatnim, ale nie mniej ważnym narzędziem jest miarka, która pomoże w precyzyjnym wymiarowaniu i ustawieniu zaworu w odpowiednim miejscu.
- Klucz nastawny – umożliwia regulację siły dokręcania, co zapobiega uszkodzeniom gwintów.
- Klucz płaski – pozwala na łatwe dokręcanie śrub w trudno dostępnych miejscach.
- Taśma teflonowa – służy do uszczelniania połączeń gwintowych, co zapobiega wyciekom.
- Pakuły konopne lub pasta uszczelniająca – zapewniają szczelność połączeń.
- Poziomnica – sprawdza prawidłową pozycję montażu zaworu.
- Miarka – pomaga w precyzyjnym wymiarowaniu i ustawieniu zaworu.
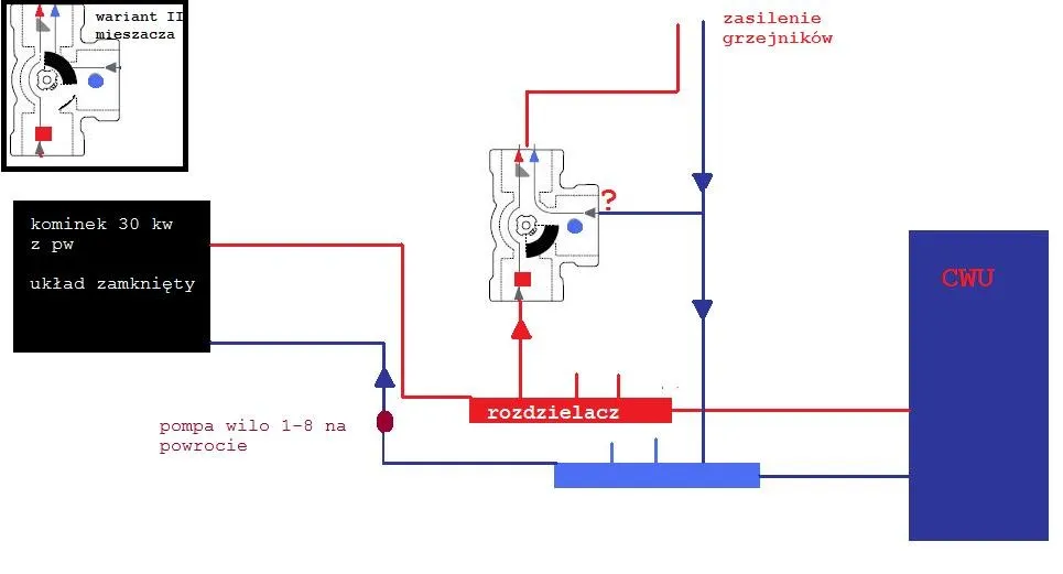
Labeled diagram: jak wygląda prawidłowy schemat montażu
Właściwy schemat montażu zaworu trójdrożnego jest kluczowym elementem, który pomaga zrozumieć, jak wszystkie komponenty instalacji są ze sobą połączone. Na diagramie zazwyczaj znajdują się oznaczenia dla portów A, B oraz AB, które wskazują, gdzie należy podłączyć różne obiegi systemu grzewczego. Port A jest zazwyczaj połączony z obiegiem grzejnikowym, natomiast port B służy do podłączenia obiegu podłogowego lub bojlera CWU. Port AB łączy się z kotłem lub innym źródłem ciepła, co umożliwia prawidłowy przepływ czynnika grzewczego.
Każdy z portów na diagramie powinien być wyraźnie oznaczony, co ułatwia identyfikację ich funkcji. Strzałki na diagramie pokazują kierunek przepływu czynnika grzewczego, co jest istotne dla prawidłowego działania systemu. Zrozumienie schematu montażu pozwala uniknąć błędów, które mogą prowadzić do nieefektywnej pracy systemu grzewczego lub nawet uszkodzeń instalacji. Warto również zwrócić uwagę na odległości między elementami, które powinny być zgodne z zaleceniami producenta.
Kluczowe połączenia w instalacji zaworu trójdrożnego
Podczas instalacji zaworu trójdrożnego, kluczowe jest prawidłowe wykonanie wszystkich połączeń, które mają wpływ na efektywność całego systemu grzewczego. Port A, łączący się z obiegiem grzejnikowym, musi być solidnie podłączony, aby zapewnić odpowiedni przepływ ciepła do grzejników. Z kolei port B, przeznaczony dla obiegu podłogowego, również wymaga staranności w montażu, aby uniknąć przyszłych problemów z wydajnością ogrzewania podłogowego.
Port AB, łączący zawór z kotłem, powinien być podłączony zgodnie z kierunkiem przepływu, co jest oznaczone na korpusie zaworu. Niezgodność w podłączeniu może prowadzić do poważnych problemów z systemem grzewczym. Warto również pamiętać, że każdy z tych portów powinien być odpowiednio uszczelniony, aby uniknąć wycieków, co może wpłynąć na całą instalację. Dlatego kluczowe połączenia powinny być wykonane z najwyższą starannością oraz zgodnie z zaleceniami producenta.

Najczęstsze błędy przy montażu zaworu trójdrożnego i ich unikanie
Podczas montażu zaworu trójdrożnego mogą wystąpić różne błędy, które mogą negatywnie wpłynąć na funkcjonowanie systemu grzewczego. Jednym z najczęstszych błędów jest nieprawidłowe podłączenie portów, co prowadzi do nieefektywnego przepływu czynnika grzewczego. Warto upewnić się, że port A jest połączony z obiegiem grzejnikowym, a port B z obiegiem podłogowym. Niezgodności w podłączeniu mogą prowadzić do nieprawidłowego działania systemu oraz potencjalnych uszkodzeń.
Innym powszechnym błędem jest ignorowanie kierunku przepływu, co może skutkować poważnymi konsekwencjami, takimi jak zatory czy nadmierne ciśnienie w instalacji. Ważne jest, aby zawsze sprawdzić oznaczenia na korpusie zaworu i upewnić się, że kierunek przepływu jest zgodny z rzeczywistym kierunkiem w systemie. W przypadku wykrycia jakichkolwiek problemów, należy niezwłocznie skonsultować się z fachowcem, aby uniknąć dalszych komplikacji.
Problemy z kierunkiem przepływu i ich konsekwencje
Nieprawidłowy kierunek przepływu czynnika grzewczego może prowadzić do wielu problemów w systemie grzewczym. Gdy zawór trójdrożny jest podłączony w niewłaściwy sposób, może to skutkować zwiększonym ciśnieniem w instalacji, co z kolei może prowadzić do uszkodzenia innych komponentów systemu. Zatory w przepływie mogą również powodować nierównomierne ogrzewanie pomieszczeń, co negatywnie wpływa na komfort użytkowników. Dlatego niezwykle ważne jest, aby kierunek przepływu był zawsze zgodny z oznaczeniami na zaworze.
Aby uniknąć problemów związanych z kierunkiem przepływu, przed uruchomieniem systemu warto przeprowadzić testy ciśnieniowe. Dzięki nim można szybko zidentyfikować ewentualne nieprawidłowości w działaniu instalacji. Jeśli wystąpią jakiekolwiek nieprawidłowości, należy natychmiast skontaktować się z fachowcem, który pomoże w diagnozie i naprawie problemu. Prawidłowe podłączenie i konfiguracja zaworu trójdrożnego są kluczowe dla efektywności całego systemu grzewczego.
Jak zabezpieczyć połączenia przed wyciekami i awariami
Aby skutecznie zabezpieczyć połączenia zaworu trójdrożnego przed wyciekami i awariami, kluczowe jest zastosowanie odpowiednich materiałów uszczelniających. Taśma teflonowa jest jednym z najczęściej używanych produktów, który zapewnia szczelność połączeń gwintowych. Należy ją nałożyć równomiernie na gwinty, co pomoże w utworzeniu szczelnej bariery, zapobiegającej wyciekom. Warto również rozważyć użycie pakuł konopnych lub pasty uszczelniającej, które mogą dodatkowo wzmocnić uszczelnienie i zwiększyć trwałość połączeń.
Oprócz odpowiednich materiałów, ważne jest także, aby dokładnie dokręcić wszystkie połączenia zgodnie z zaleceniami producenta. Zbyt luźne połączenia mogą prowadzić do wycieków, natomiast zbyt mocne dokręcanie może uszkodzić gwinty. Regularne przeglądy i konserwacja systemu grzewczego również pomagają w identyfikacji potencjalnych problemów zanim staną się poważne. W przypadku wykrycia jakichkolwiek wycieków, należy niezwłocznie podjąć działania naprawcze, aby uniknąć dalszych uszkodzeń instalacji.
Czytaj więcej: Jak zamontować bagażnik dachowy na relingi - uniknij najczęstszych błędów
Jak monitorować efektywność systemu grzewczego po montażu
Po zakończeniu montażu zaworu trójdrożnego i upewnieniu się, że wszystkie połączenia są szczelne, warto rozważyć zastosowanie nowoczesnych technologii do monitorowania efektywności systemu grzewczego. Inteligentne czujniki mogą być zainstalowane w kluczowych miejscach systemu, aby na bieżąco śledzić temperaturę, ciśnienie oraz przepływ czynnika grzewczego. Dzięki tym informacjom można szybko zidentyfikować ewentualne problemy, takie jak nieprawidłowy kierunek przepływu czy zatory, co pozwala na szybsze reagowanie i minimalizowanie kosztów eksploatacji.
Warto również rozważyć integrację systemu grzewczego z inteligentnymi systemami zarządzania budynkiem, które pozwalają na automatyzację procesów oraz optymalizację zużycia energii. Dzięki tym rozwiązaniom, użytkownicy mogą dostosowywać ustawienia systemu grzewczego w zależności od potrzeb, co nie tylko zwiększa komfort, ale również przyczynia się do oszczędności energii. W przyszłości, rozwój technologii IoT (Internet of Things) może jeszcze bardziej usprawnić monitorowanie i zarządzanie systemami grzewczymi, co przyniesie korzyści zarówno dla użytkowników, jak i dla środowiska.
